YTK-18H壓力控制器
發布時間:2013-06-26 01:56:27 點擊:1160

產品詳細:
簡介:
YTK-18H壓力控制器采用活塞式與膜片式相結合的傳感器,可用于含油霧的壓縮空氣及其他對壓力傳感器材料無腐蝕作用的含油霧氣體和液壓油,水油乳濁液及潤滑性能良好的中性液體介質。YTK-18H壓力控制器的設定值可調,其調節范圍為0.3~40MPa。
特點:
YTK-18H壓力控制器用于含油霧的中性氣體
主要技術性能:

規格:切換差不可調

規格:切換差可調

規格:切換差不可調(小切換差)

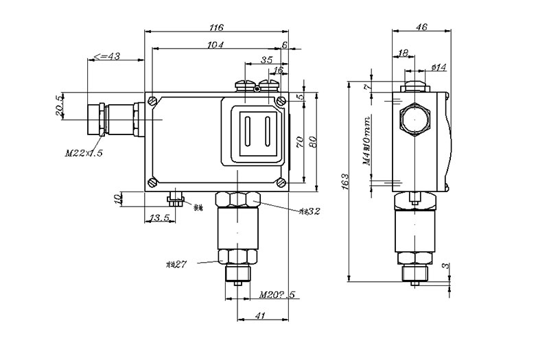
尺寸圖
01

02

03

04

下一篇:YTK-18H防爆壓力控制器
